0771-5791162
首页
明星产品
静音发电机组
潍柴发电机组
珀金斯发电机组
沃尔沃发电机组
康明斯柴油发电机组
上柴发电机组
玉柴发电机组
产品展示
新闻中心
视频展示
企业动态
中标通知书
技术支持
案例中心
企业资质
服务跟踪
联系我们
网站首页
明星产品
静音发电机组
潍柴发电机组
珀金斯发电机组
沃尔沃发电机组
康明斯柴油发电机组
上柴发电机组
玉柴发电机组
产品展示
新闻中心
企业动态
中标通知书
技术支持
案例中心
企业资质
服务跟踪
联系我们
Open Nav
添加微信好友了解产品
w13667715899
+ 关注
走进
明星产品
产品展示
新闻中心
技术支持
荣誉资质
服务跟踪
静音发电机组
潍柴发电机组
珀金斯发电机组
沃尔沃发电机组
康明斯柴油发电机组
上柴发电机组
玉柴发电机组
当前位置:
首页
>
技术支持
300KW柴油发电机组不能停机是怎么回事?
我们知道柴油发电机有无法启动的故障现象。对应的柴油发电机组也有无法停机的状况。购买的柴油发电机组在使用过程中出现无法自动停机的情况,
查看更多
2018-05-28
怎样识别柴油发电机是否为翻新二手的?
由于柴油发电机的广泛应用,越来越多企业单位把柴油发电机组用于临时应急电源,先给大家分享下在购买大功率柴油发电机的时候,怎样识别柴油发电机新机和二手翻新区别。
查看更多
2018-05-28
柴油发电机组冷却液系统为什么需要防冻液?
查看更多
2018-05-26
柴油发电机组闭式循环水冷却系统
闭式循环水冷却系统由水泵、散热水箱、节温器、风扇等组成。 闭式循环水冷却系统中水的循环是在水泵强制下进行的,水套进、出口的温差较小(可以不超过10C)
查看更多
2018-05-26
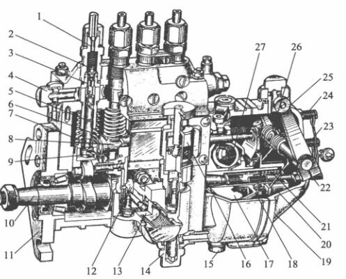
柴油发电机组I号喷油泵由分泵、油量控制机构、传动机构和泵体四部分组成
今天电力为大家分享一下国产柴油发电机组核心部件喷油泵-国产I号喷油泵。如图所示,为四缸柴油机I号喷油泵的总体构造图。由分泵、油量控制机构、传动机构和泵体四部分组成。
查看更多
2018-05-25
国产柴油发电机组B型喷油泵的构造及特点
我国常用的柴油机喷油泵为:A型泵、B型泵、P型泵、VE型泵等。前三种属柱塞泵;VE泵系分配式转子泵
查看更多
2018-05-25
国产系列柱塞式喷油泵有哪些系列及其主要性能?
我国中、小功率柴油机采用的柱塞式喷油泵已初步形成了系列。由于柴油机的单缸功率变化范围很大,从几千瓦到几十千瓦不等,若按照不同功率设计不同的喷油泵,就会使喷油泵的尺寸规格和种类太多,制造和使用维修都十分困难
查看更多
2018-05-24
玉柴柴油发电机组柱塞式喷油泵的工作原理
喷油泵是柴油发电机组柴油供给系统中最重要的零件,它的性能和质量对柴油机影响极大,被称为柴油机的"心脏"。工作时,在喷油泵凸轮轴上的凸轮与柱塞弹簧的作用下,迫使柱塞作上、下往复运动,从而完成泵油任务,柱塞式喷油泵泵油过程可分为以下三个阶段:
查看更多
2018-05-23
柱塞式喷油泵是如何满足柴油机的工作要求的?
为了深人了解柱塞式喷油泵的工作原理与特点,下面逐项说明这种喷油泵是如何满足柴油机的工作要求的。
查看更多
2018-05-23
柴油发电机组柱塞式喷油泵的基本构造
喷油泵(又称高压油泵)是柴油机燃油供给系统中最重要的部件之一,其作用是根据柴油机的工作要求,在规定的时刻将定量的柴油以一定的高压送往喷油器。对喷油泵的基本要求主要有以下几个方面
查看更多
2018-05-22
什么是轴针式喷油器?柴油发电机组喷油器分针式与孔式
目前,中小功率柴油机常采用闭式喷油器。闭式喷油器在不喷油时,喷孔被一个受强力弹簧压紧的针阀所关闭,将燃烧室与高压油腔隔开。在燃油喷入燃烧室前,一定要克服弹簧的弹力,
查看更多
2018-05-22
柴油发电机组孔式喷油器的工作原理和构造
柴油发电机组孔式喷油器主要用于直接喷射式柴油机中。由于喷孔数可有几个且孔径小,因此,它能喷出几个锥角不大、射程较远的喷柱。一般喷油孔的数目为2-8个,喷孔直径为0.15-0.50mm。
查看更多
2018-05-21
4369 条记录 357/365 页
上一页
下一页
第一页
上5页
356
357
358
359
360
下5页
最后一页
1
2
3
4
5
6
7
8
9
10
11
12
13
14
15
16
17
18
19
20
21
22
23
24
25
26
27
28
29
30
31
32
33
34
35
36
37
38
39
40
41
42
43
44
45
46
47
48
49
50
51
52
53
54
55
56
57
58
59
60
61
62
63
64
65
66
67
68
69
70
71
72
73
74
75
76
77
78
79
80
81
82
83
84
85
86
87
88
89
90
91
92
93
94
95
96
97
98
99
100
101
102
103
104
105
106
107
108
109
110
111
112
113
114
115
116
117
118
119
120
121
122
123
124
125
126
127
128
129
130
131
132
133
134
135
136
137
138
139
140
141
142
143
144
145
146
147
148
149
150
151
152
153
154
155
156
157
158
159
160
161
162
163
164
165
166
167
168
169
170
171
172
173
174
175
176
177
178
179
180
181
182
183
184
185
186
187
188
189
190
191
192
193
194
195
196
197
198
199
200
201
202
203
204
205
206
207
208
209
210
211
212
213
214
215
216
217
218
219
220
221
222
223
224
225
226
227
228
229
230
231
232
233
234
235
236
237
238
239
240
241
242
243
244
245
246
247
248
249
250
251
252
253
254
255
256
257
258
259
260
261
262
263
264
265
266
267
268
269
270
271
272
273
274
275
276
277
278
279
280
281
282
283
284
285
286
287
288
289
290
291
292
293
294
295
296
297
298
299
300
301
302
303
304
305
306
307
308
309
310
311
312
313
314
315
316
317
318
319
320
321
322
323
324
325
326
327
328
329
330
331
332
333
334
335
336
337
338
339
340
341
342
343
344
345
346
347
348
349
350
351
352
353
354
355
356
357
358
359
360
361
362
363
364
365
热门产品
康明斯柴油发电机组
上柴柴油发电机组
玉柴柴油发电机组
移动拖车发电机组
静音发电机组
无锡斯坦福发电机型号
上海斯坦福发电机型号
推荐文章
map