0771-5791162
首页
明星产品
静音发电机组
潍柴发电机组
珀金斯发电机组
沃尔沃发电机组
康明斯柴油发电机组
上柴发电机组
玉柴发电机组
产品展示
新闻中心
视频展示
企业动态
中标通知书
技术支持
案例中心
企业资质
服务跟踪
联系我们
网站首页
明星产品
静音发电机组
潍柴发电机组
珀金斯发电机组
沃尔沃发电机组
康明斯柴油发电机组
上柴发电机组
玉柴发电机组
产品展示
新闻中心
企业动态
中标通知书
技术支持
案例中心
企业资质
服务跟踪
联系我们
Open Nav
添加微信好友了解产品
w13667715899
+ 关注
走进
明星产品
产品展示
新闻中心
技术支持
荣誉资质
服务跟踪
静音发电机组
潍柴发电机组
珀金斯发电机组
沃尔沃发电机组
康明斯柴油发电机组
上柴发电机组
玉柴发电机组
当前位置:
首页
>
技术支持
4步排除潍柴柴油机转速不稳故障,延长维修保养周期
潍柴柴油机转速不稳是指在使用过程中,油门处于一定位置时,机身发抖、摆动和转速忽高忽低的现象。柴油机转速不稳定是柴油机故障的一种外部表现,发电机厂家电力分析了柴油机故障产生的原因为柴油机使用维修人员提供参考
查看更多
2019-05-28
发电机厂家提醒!柴油发电机机房消防设计规范需遵守
当我们设计柴油发电机机房时其实很有讲究,尤其在机房的消防设计方面需谨慎遵守各方面的规范,以保证柴油发电机后期使用的安全问题。今天电力发电机厂家下边为大家分享。
查看更多
2019-05-28
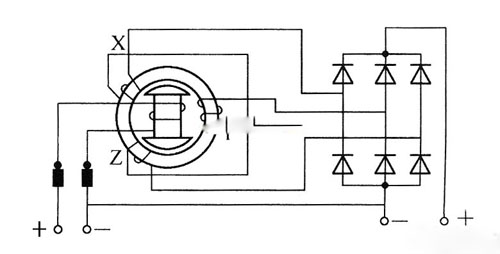
简述不同类型交流发电机工作原理,通俗易懂!
交流发电机一般由转子总成、定子总成、整流器总成、端盖、皮带轮、风扇等组成。今天小编就来讲讲交流发电机工作原理是什么,将会结合图文让你更加明白。
查看更多
2019-05-28
生产厂家直销120KW沃尔沃柴油发电机组TAD7532GE技术参数
电力的沃尔沃发电机组原装进口发动机瑞典,成套机组高品质、高性价比,具有性能先进、运行稳定、安全可靠、节能减排、绿色环保、噪音低等特点。欢迎来电咨询
查看更多
2019-05-27
如何计算您需要采购多大功率的重庆康明斯发电机组
在您选购发电机组时,您最应该了解的是:您需采购重庆康明斯发电机组的功率应该是多大?这个问题就需要您让专业电工算一下你使用的发电机量最少是多少KW?当您买来发电机组给您的设备发电的时候,那么您的设备功率是多大呢。。
查看更多
2019-05-27
柴油发电机组噪音排放及静音发电机组材料
柴油发电机组陆用机组又可以分为普通型、全动化型、静音型、低噪音自动化型四种,柴油发电机噪音源频率较宽,主要由以下几部分组成
查看更多
2019-05-27
柴油机维修:柴油机冒黑烟是什么原因,该怎么维修?
柴油机使用过程中我们免不了会遇到大大小小的故障问题,但柴油机冒黑烟是我们比较常见的问题,那么柴油机冒黑烟是什么原因导致呢,我们该怎么维修,下文小编给大家分享。
查看更多
2019-05-27
柴油机水泵的特点有哪些?该怎么操作及维护?
柴油机水泵泛指以柴油机为动力,泵组通过弹性联轴器由柴油机驱动,具有先进合理的结构,效率高,汽蚀性能好,振动小,噪声低等特点,那么柴油机水泵又该怎么操作及维护呢?小编为你分享。
查看更多
2019-05-27
康明斯发电机组PT供油系统特点
在世界范围内,仅仅只有美国康明斯发动机公司一家采用这种独特的PT供油系统,它是该公司的专利。康明斯发动机PT燃油系统特点
查看更多
2019-05-25
国五与国四的东风康明斯柴油机有什么区别
对非道路移动机械机组辆的排放也日益提高,更高标准的排放要求被提上日程,国内很多生产厂家已经在研制更过排放标准的柴油机。东风康明斯柴油机国四与国五(陆用发电机组驱动型)的区别体现在哪?
查看更多
2019-05-25
柴油机与汽油机有什么区别,这下总算明白!
柴油机与汽油机其实很多外行业并不是很清楚,也时常会让我们分不清楚,今天电力小编通过一文详细剖析柴油机与汽油机到底区别在哪里?
查看更多
2019-05-25
假冒劣质的燃油对船用柴油机的危害
不同品种的燃油,其燃油的性质、指标、参数等是存在相当大的差异。要燃烧燃料油和渣油这类假冒劣质燃油,其特点是高硫、高残灰、高灰分等问题,那么当我们使用假冒劣质的燃油对船用柴油机时到底会带来哪些危害?
查看更多
2019-05-25
4369 条记录 313/365 页
上一页
下一页
第一页
上5页
311
312
313
314
315
下5页
最后一页
1
2
3
4
5
6
7
8
9
10
11
12
13
14
15
16
17
18
19
20
21
22
23
24
25
26
27
28
29
30
31
32
33
34
35
36
37
38
39
40
41
42
43
44
45
46
47
48
49
50
51
52
53
54
55
56
57
58
59
60
61
62
63
64
65
66
67
68
69
70
71
72
73
74
75
76
77
78
79
80
81
82
83
84
85
86
87
88
89
90
91
92
93
94
95
96
97
98
99
100
101
102
103
104
105
106
107
108
109
110
111
112
113
114
115
116
117
118
119
120
121
122
123
124
125
126
127
128
129
130
131
132
133
134
135
136
137
138
139
140
141
142
143
144
145
146
147
148
149
150
151
152
153
154
155
156
157
158
159
160
161
162
163
164
165
166
167
168
169
170
171
172
173
174
175
176
177
178
179
180
181
182
183
184
185
186
187
188
189
190
191
192
193
194
195
196
197
198
199
200
201
202
203
204
205
206
207
208
209
210
211
212
213
214
215
216
217
218
219
220
221
222
223
224
225
226
227
228
229
230
231
232
233
234
235
236
237
238
239
240
241
242
243
244
245
246
247
248
249
250
251
252
253
254
255
256
257
258
259
260
261
262
263
264
265
266
267
268
269
270
271
272
273
274
275
276
277
278
279
280
281
282
283
284
285
286
287
288
289
290
291
292
293
294
295
296
297
298
299
300
301
302
303
304
305
306
307
308
309
310
311
312
313
314
315
316
317
318
319
320
321
322
323
324
325
326
327
328
329
330
331
332
333
334
335
336
337
338
339
340
341
342
343
344
345
346
347
348
349
350
351
352
353
354
355
356
357
358
359
360
361
362
363
364
365
热门产品
康明斯柴油发电机组
上柴柴油发电机组
玉柴柴油发电机组
移动拖车发电机组
静音发电机组
无锡斯坦福发电机型号
上海斯坦福发电机型号
推荐文章
map