简述不同类型交流发电机工作原理,通俗易懂!
交流发电机一般由转子总成、定子总成、整流器总成、端盖、皮带轮、风扇等组成。今天小编就来讲讲交流发电机工作原理是什么,将会结合图文让你更加明白。
1.交流电动势的产生
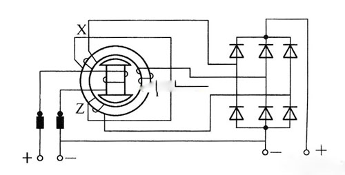
交流发电机定子的三相绕组按一定的规律嵌套在发电机的定子槽内,彼此互差120°电角度。当转子磁场绕组接通直流电源时,转子的爪极被磁化为N极和S极。其磁力线由N极出发,穿过转子与定子之间很小的气隙进入定子铁心,最后又通过气隙回到S极

a)三相桥式整流电路;b)三相交流电动势;c)整流后交流发电机输出波形
2.整流电路工作原理
将交流发电机产生的交流电转变成直流电称为整流。常见的整流电路有六管交流发电机的整流电路和九管交流发电机的整流电路。
1)六管交流发电机的整流电路
六管交流发电机的整流装置实际是一个由6个硅整流二极管组成的三相桥式整流电路,见图)。3个二极管VD2、VD4、VD6的负极分别与发电机三相绕组的始端相连,它们的正极连接在一起,组成共阳极组接法,3个二极管的导通原则是在某一瞬间负极电位最低的二极管导通。3个二极管VD1、VD3、VD5的正极分别与发电机三相绕组的始端相连,它们的负极连接在一起,组成共阴极组接法,3个二极管的导通原则是在某一瞬间正极电位最高的二极管优先导通。每个时刻有2个二极管同时导通,其中一个二极管在共阴极组,另一个在共阳极组,同时导通的两个管子总是将发电机的电压加在负荷两端,如图)所示。

当t=0时,C相电位最高,而B相电位最低,所对应的二极管VD5、VD4均处于正向导通。由于二极管的内阻很小,所以此时发电机的输出电压等于B、C绕组之间的线电压。
在t1-t2时间内,A相的电位最高,而B相电位最低,故对应VD1、VD4处于正向导通。同理,交流发动机的输出电压可视为A、B绕组之间的线电压。
在t2-t3时间内,A相电位最高,而C相电位最低,故VD1、VD6处于正向导通。同理,交流发动机的输出电压可视为A、C绕组之间的线电压。
类推,周而复始,在负载上便可获得一个比较平稳的直流脉动电压。
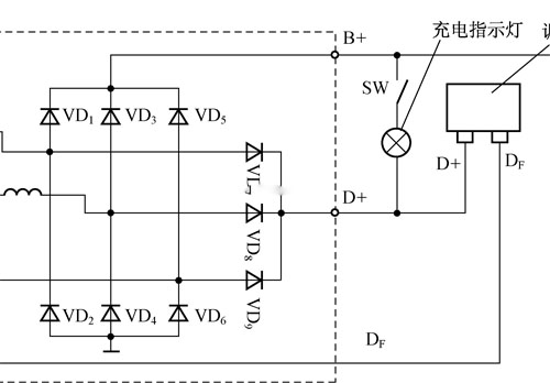
2)九管交流发电机的整流原理
九管交流发电机的特点是除了常用的6个整流二极管外,又增加了3个功率较小的二极管。3个功率较小的二极管用来供给交流发电机磁场电流,故又称之为磁场二极管。采用磁场二极管后,输出端连接充电指示灯,即可指示发电机工作情况的好坏。九管交流发电机充电系统的电路如图3所示。

3.交流发电机励磁方式
汽车用交流发电机的励磁方法是由他励方式到自励发电的一个过程。由于汽车用交流发电机转子的剩磁较弱,不能利用磁极的剩磁自励发电,所以需要外接直流电源。交流发电机只有在较高转速时,才能自励发电。交流发电机在低速运转时,采用他励方式。
以上关于不同类型交流发电机工作原理的内容由专业柴油发电机供应厂家—电力(m.zgyus.com)为您分享,希望对大家有所帮助。电力是一家专业从事柴油发电机组研发与生产、销售以及维修一条龙服务的综合性公司,公司生产的柴油发电机组选用的柴油机、发电机均以国内外知名品牌生产厂家生产的产品配套为主。主要有玉柴、上柴、济柴、通柴、康明斯(Cummins)、沃尔沃(VOLVO)、道依茨(DEUTZ)、帕金斯等配,其功率范围30-30000kw不等。欢迎来厂参观考察洽谈合作13667715899。
推荐文章
- 400KW大功率+12缸V型+智能控制:这台400KW上柴柴油发电机组到底有多强? 2026-03-18
- 省钱才是硬道理!这台200KW玉柴柴油发电机组,如何帮你“赚”更多? 2026-03-17
- 300KW沃尔沃柴油发电机组:为何成为众多工程的首选动力? 2026-03-16
- 同样是150kw,为何它更可靠?因为有一颗强劲的“芯”!沃尔沃柴油发电机组,守护您的业务不断电 2026-03-14
- 动力巨擎,智控机组——400KW上柴柴油发电机组,重新定义你的电力保障标准! 2026-03-13
- 400KW上柴柴油发电机组,工业级电力保障的王者之选 2026-03-13
- 动力巨擎,应急先锋——康明斯720KW柴油发电机组,如何定义“可靠”? 2026-03-12
- 工厂备电选多大?直接上硬货:这台500kW玉柴发电机组,让电力永不掉线 2026-03-11
- 2026备电选多大?为什么懂行的老板都选这台500kW发电机组? 2026-03-11
- 停电不焦虑,这台康明斯250KW柴油发电机组才是工厂的底气! 2026-03-10






桂公网安备45010702002247