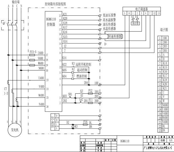
656KW柴油发电机组单机配电箱主要元件线路图
本工程项目单机配电箱配备的是一台656KW柴油发电机组,15秒内应急自起动与市电进行切换,起电流保护作用。此方案单机配电箱元件即专门针对作为应急电源和备用照明电源的656KW柴油发电机组试运行而制订。
柴油发电机组配电箱的作用:
1、合理的分配电能。
2、方便对电路的开合操作。
3、有较高的安全防护等级,能直观的显示电路的导通状态。
项目名称:656KW柴油发电机组单机配电箱主要元件明细清单 | |||||
配电箱主要元件清单 | |||||
序号 | 名称 | 型号规格 | 单位 | 数量 | 厂家 |
1 | 塑壳断路器 | NXM-1250S/3300 1250A | 台 | 1 | 正泰 |
2 | 发电机组控制器 | HGM6110 | 只 | 1 | 众智 |
3 | 发电机转速控制器 | C2002 | 只 | 1 | 孚创 |
4 | 直流电源模块 | DC24V | 只 | 1 | 众智 |
5 | 小型中间继电器 | HH54P DC24V | 只 | 2 | 正泰 |
6 | 小型中间继电器 | HH54P AC220V | 只 | 1 | 正泰 |
7 | 急停接钮 | LA37-11MZS红 | 只 | 1 | 国优 |
8 | 旋钮 | LA37-11X/2黑 | 只 | 1 | 国优 |
9 | 熔断器 | RT14-20/6A | 套 | 5 | 正泰 |
10 | 主铜排 | TMY-50*8 | 米 | 1.2 | 国优 |
11 | 零排 | TMY-40*4 | 米 | 0.3 | 国优 |
12 | 辅材 | 台 | 2 | 国优 | |

656KW柴油发电机组单机配电箱元件线路图
以上656KW柴油发电机组单机配电箱主要元件线路图来由广西柴油发电机组厂家电力(//m.zgyus.com)设计制作 ,电力十多年老品牌企业,供应的柴油发电机组功率范围为功率为20kw-3000kw,康明斯、玉柴、沃尔沃、帕金斯、上柴、潍柴、奔驰、道依茨等各大品牌,产品出口东南亚、非洲、中东等地。适用于工矿企业、公路、铁路、房地产、酒店、学校、医院等各行业用户,是理想供电产品。热线:13667715899
报价:13667715899
推荐文章
- 300KW沃尔沃柴油发电机组:为何成为众多工程的首选动力? 2026-03-16
- 同样是150kw,为何它更可靠?因为有一颗强劲的“芯”!沃尔沃柴油发电机组,守护您的业务不断电 2026-03-14
- 动力巨擎,智控机组——400KW上柴柴油发电机组,重新定义你的电力保障标准! 2026-03-13
- 400KW上柴柴油发电机组,工业级电力保障的王者之选 2026-03-13
- 动力巨擎,应急先锋——康明斯720KW柴油发电机组,如何定义“可靠”? 2026-03-12
- 工厂备电选多大?直接上硬货:这台500kW玉柴发电机组,让电力永不掉线 2026-03-11
- 2026备电选多大?为什么懂行的老板都选这台500kW发电机组? 2026-03-11
- 停电不焦虑,这台康明斯250KW柴油发电机组才是工厂的底气! 2026-03-10
- 38升V12“心脏”!800KW康明斯发电机组,如何成为高端项目的“必备电力设备”? 2026-03-09
- 关键时刻,康明斯400KW发电机组,为你的核心负载提供可靠且稳定的保障! 2026-03-07






桂公网安备45010702002247