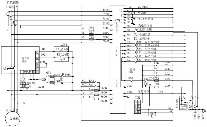
英山监狱1000KW柴油发电机组并机柜主要元件图纸
今年英山监狱向我公司购买了1000KW柴油发电机组并机柜。今天柴油发电机厂家电力给大家分享1000KW柴油发电机组并机柜的主要元件及图纸,希望给大家带来帮助。
工程名称:英山监狱并机柜(发电机1000KW*2台)主要元件明细清单 | |||||
主开关柜 | |||||
序号 | 名称 | 型号规格 | 单位 | 数量 | 厂家 |
1 | 万能式框架断路器 | CDW3-2000N/3P 2000A | 台 | 2 | 德力西 |
2 | 发电机组控制器 | DSE8610MKII | 只 | 2 | 深海 |
3 | 直流电源模块 | DC24V | 只 | 2 | 众智 |
4 | 小型中间继电器 | HH54P DC24V | 只 | 12 | 正泰 |
5 | 小型中间继电器 | HH54P AC220V | 只 | 2 | 正泰 |
6 | 电流表 | 42L6-A,2000/5 | 只 | 6 | 正泰 |
7 | 功率表 | 42L6-KW 2000/5A 380V | 只 | 2 | 正泰 |
8 | 功率因数表 | 42L6-COSφ 380V 5A 三相 | 只 | 2 | 正泰 |
9 | 频率表 | 42L6-HZ 45-55HZ/380V | 只 | 2 | 正泰 |
10 | 电压表 | 42L2-V 0~450V | 只 | 2 | 正泰 |
11 | 电压换相开关 | LW5-16YH2/2 | 只 | 2 | 正泰 |
12 | 熔断器 | RT18-32/6A | 套 | 10 | 正泰 |
13 | 信号灯 | AD56-22DS/Y,G,R,~220V,黄2,红2,绿2 | 只 | 6 | 国优 |
14 | 按钮 | LAY50-22D-11,1开1闭,红,绿各2 | 只 | 4 | 国优 |
15 | 急停接钮 | LA37-11MZS红 | 只 | 2 | 国优 |
16 | 旋钮 | LA37-11X/2黑 | 只 | 2 | 国优 |
17 | 主铜排 | TMY-60*8 | 米 | 48 | 国优 |
18 | 主铜排 | TMY-50*5 | 米 | 18 | 国优 |
19 | 零排 | TMY-60*8 | 米 | 1.6 | 国优 |
20 | 接地铜排 | TMY-50*5 | 米 | 1.6 | 国优 |
21 | 绝缘子 | 圆形,红色,M10 | 只 | 72 | 海坦 |
22 | 辅材 | 台 | 2 | 国优 | |
英山监狱柴油发电机并机柜图纸

柴油发电机并机柜主要用于两台或多台柴油发电机组的并联运行。柴油发电机并机柜有主电源故障自启动、自动同步并联、自动配电负载、根据负载单元自动增加或减少、主电源恢复自动解列、自动冷却停机、自动监控柴油发电机组功率参数、柴油发电机组故障显示和保护等功能;能有效监测和保护并联运行的柴油发电机组;
当柴油发电机组用作主电源时,发电机组并机柜可以可靠地保证配电系统的正常运行;根据配电系统的负荷可以增加或减少单元数量,从而实现节能的节能效果;
当柴油发电机组运行到维修时间,故障单元需要维修时,机柜可根据维修单元的需要旋转;从而确保配电系统的正常运行。当柴油发电机组用作备用电源时,柴油发电机并机柜可以自动断电自动启动柴油发电机组,自动关闭并自动启动其他机组同步运行、自动分配负载、自动根据负载增加或减少单位、主电源恢复自动取消、自动冷却停机,有效可靠地保证配电系统的正常运行。
柴油发电机并机柜主要用于建筑工地、房地产、银行、医院、购物中心、工业矿、酒店、数据中心和其他领域。柴油发电机厂家电力主营:康明斯发电机组、玉柴发电机组、沃尔沃发电机组、帕金斯发电机组、上柴发电机组、无动柴油发电机组、潍柴发电机组、德国奔驰发电机组、道依茨发电机组、潍柴发电机组、济柴发电机组。产品出口东南亚、非洲、中东等地。热线:13667715899 //m.zgyus.com/
报价:13667715899
上一篇:
柴油发电机组运行过程中的五大注意事项下一篇:
柴油发电机组低负荷运行的五大危害
推荐文章
- 300KW沃尔沃柴油发电机组:为何成为众多工程的首选动力? 2026-03-16
- 同样是150kw,为何它更可靠?因为有一颗强劲的“芯”!沃尔沃柴油发电机组,守护您的业务不断电 2026-03-14
- 动力巨擎,智控机组——400KW上柴柴油发电机组,重新定义你的电力保障标准! 2026-03-13
- 400KW上柴柴油发电机组,工业级电力保障的王者之选 2026-03-13
- 动力巨擎,应急先锋——康明斯720KW柴油发电机组,如何定义“可靠”? 2026-03-12
- 工厂备电选多大?直接上硬货:这台500kW玉柴发电机组,让电力永不掉线 2026-03-11
- 2026备电选多大?为什么懂行的老板都选这台500kW发电机组? 2026-03-11
- 停电不焦虑,这台康明斯250KW柴油发电机组才是工厂的底气! 2026-03-10
- 38升V12“心脏”!800KW康明斯发电机组,如何成为高端项目的“必备电力设备”? 2026-03-09
- 关键时刻,康明斯400KW发电机组,为你的核心负载提供可靠且稳定的保障! 2026-03-07






桂公网安备45010702002247