0771-5791162
首页
明星产品
静音发电机组
潍柴发电机组
珀金斯发电机组
沃尔沃发电机组
康明斯柴油发电机组
上柴发电机组
玉柴发电机组
产品展示
新闻中心
视频展示
企业动态
中标通知书
技术支持
案例中心
企业资质
服务跟踪
联系我们
网站首页
明星产品
静音发电机组
潍柴发电机组
珀金斯发电机组
沃尔沃发电机组
康明斯柴油发电机组
上柴发电机组
玉柴发电机组
产品展示
新闻中心
企业动态
中标通知书
技术支持
案例中心
企业资质
服务跟踪
联系我们
Open Nav
添加微信好友了解产品
w13667715899
+ 关注
走进
明星产品
产品展示
新闻中心
技术支持
荣誉资质
服务跟踪
静音发电机组
潍柴发电机组
珀金斯发电机组
沃尔沃发电机组
康明斯柴油发电机组
上柴发电机组
玉柴发电机组
当前位置:
首页
>
技术支持
静音柴油发电机厂家谈机油除润滑外六大小知识
普通大众对机油的常识就是润滑作用,今天静音发电机厂家电力告诉大家,如果认为机油的作用只有润滑作用,那就是错的了。柴油发电机厂家电力为您分享:为什么要和大家强调柴油发电机组机油的重要性,机油共有几种功能。
查看更多
2018-11-06
如何检验和修理柴油发电机组机油泵?(一)
柴油发电机组中的润滑系统中机油泵起到关键性作用。因此,各位用户在使用柴油发电机组时,应对发电机组机油泵进行正确的检修和修理。本篇由电力从柴油发电机组机油泵的常见故障、机油泵主、被动齿轮啮合间隙的检查、机油泵泵盖工作面的检验与修理等三大方面做详细讲解。
查看更多
2018-11-05
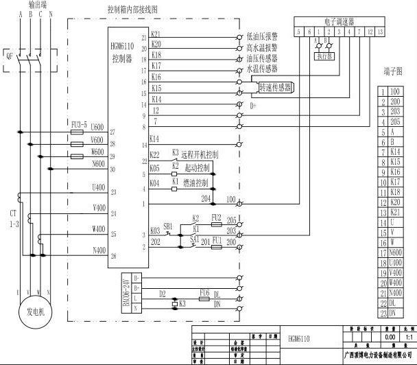
656KW柴油发电机组单机配电箱主要元件线路图
本工程项目单机配电箱配备的是一台656KW柴油发电机组,15秒内应急自起动与市电进行切换,起电流保护作用。此方案单机配电箱元件即专门针对作为应急电源和备用照明电源的656KW柴油发电机组试运行而制订。
查看更多
2018-11-05
柴油发电机组运行过程中的五大注意事项
柴油发电机组长时间满载运行,不但可以提高本身性能,找出安全隐患,还可以避免重大的通信事故。下面由电力为大家分享柴油发电机组运行时的需要注意的五大注意事项。
查看更多
2018-11-02
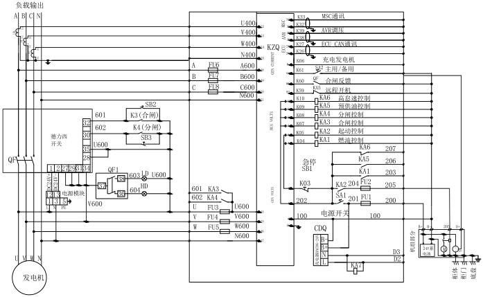
英山监狱1000KW柴油发电机组并机柜主要元件图纸
今年英山监狱向我公司购买了1000KW柴油发电机组并机柜。今天柴油发电机厂家电力给大家分享1000KW柴油发电机组并机柜的主要元件,希望给大家带来帮助。
查看更多
2018-11-02
柴油发电机组低负荷运行的五大危害
柴油发电机组超过 10 分钟的长时间低怠速或空载会损坏发动机,这是由于燃烧室温度太低以致于燃油不能完全燃烧,从而引起在喷油器喷孔以及活塞环周围形成积炭并引起气门粘连。如果发动机冷却液温度低于 60°C,未燃烧的燃油将会冲刷掉气缸壁上的润滑油,并使曲轴箱的润滑油稀释,进而影响润滑油的品质,并缩短发动机寿命。因此为了防止这种情况发生,应尽量缩短怠速时间。本篇由电力为大家做详细介绍。
查看更多
2018-11-01
柴油发电机厂家教你如何从声音听出柴油发电机故障
为了让柴油发电机组使用周期能够使用长久,最有效、最直接的方法那就是通过声音来判断,并能通过声音把一些故障消灭在萌芽之中,可以避免柴油发电机故障引发
查看更多
2018-11-01
柴油发电机组配电柜保养流程
配电柜也是柴油发电机组不可缺少的部分。在柴油发电机组配电柜使用过程中难免会对配电柜造成一定磨损,为了让柴油发电机组配电柜的使用周期能够使用长久,柴油发电机厂家电力小编为您分享柴油发电机组配电柜保养知识。
查看更多
2018-10-31
柴油发电机组相复励自励恒压装置的工作原理
交流同步发电机过去采用直流励磁机的励磁系统,由于维护管理较为麻烦,现在已很少采用了。后来发展了不带励磁机的相复励机自励恒压励磁系统。
查看更多
2018-10-30
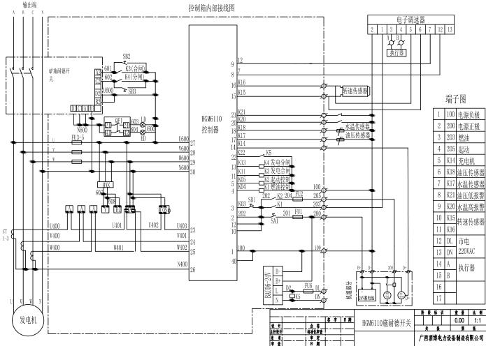
1800KW柴油发电机组输出柜配置清单及线路图
启动柜是指电动机的起动,比如是降压,星角,变频等。柴油发电机组这个发电设备对普通中国人来说不陌生了,但是相信了解的人也不多,都知道柴油发电机是用来发电的。其实,在一个城市里有许多发电机就在我们的身边
查看更多
2018-10-29
200KW天然气发电机组火花塞的保养方法
200KW天然气发电机组火花塞的保养之道,你了解多少?200KW天然气发电机组每运行约250小时,应对火花塞进行一次保养,具体保养周期根据火花塞的实际使用环境而定。
查看更多
2018-10-27
广西柴油发电机厂家解析如何减少发电机组零件磨损
柴油发电机在运行负载的同时,也是柴油发电机自身零件互相磨损的过程。柴油发电机组厂家电力明确提出尽量减少机组零件之间的磨损
查看更多
2018-10-26
4369 条记录 342/365 页
上一页
下一页
第一页
上5页
341
342
343
344
345
下5页
最后一页
1
2
3
4
5
6
7
8
9
10
11
12
13
14
15
16
17
18
19
20
21
22
23
24
25
26
27
28
29
30
31
32
33
34
35
36
37
38
39
40
41
42
43
44
45
46
47
48
49
50
51
52
53
54
55
56
57
58
59
60
61
62
63
64
65
66
67
68
69
70
71
72
73
74
75
76
77
78
79
80
81
82
83
84
85
86
87
88
89
90
91
92
93
94
95
96
97
98
99
100
101
102
103
104
105
106
107
108
109
110
111
112
113
114
115
116
117
118
119
120
121
122
123
124
125
126
127
128
129
130
131
132
133
134
135
136
137
138
139
140
141
142
143
144
145
146
147
148
149
150
151
152
153
154
155
156
157
158
159
160
161
162
163
164
165
166
167
168
169
170
171
172
173
174
175
176
177
178
179
180
181
182
183
184
185
186
187
188
189
190
191
192
193
194
195
196
197
198
199
200
201
202
203
204
205
206
207
208
209
210
211
212
213
214
215
216
217
218
219
220
221
222
223
224
225
226
227
228
229
230
231
232
233
234
235
236
237
238
239
240
241
242
243
244
245
246
247
248
249
250
251
252
253
254
255
256
257
258
259
260
261
262
263
264
265
266
267
268
269
270
271
272
273
274
275
276
277
278
279
280
281
282
283
284
285
286
287
288
289
290
291
292
293
294
295
296
297
298
299
300
301
302
303
304
305
306
307
308
309
310
311
312
313
314
315
316
317
318
319
320
321
322
323
324
325
326
327
328
329
330
331
332
333
334
335
336
337
338
339
340
341
342
343
344
345
346
347
348
349
350
351
352
353
354
355
356
357
358
359
360
361
362
363
364
365
热门产品
康明斯柴油发电机组
上柴柴油发电机组
玉柴柴油发电机组
移动拖车发电机组
静音发电机组
无锡斯坦福发电机型号
上海斯坦福发电机型号
推荐文章
map