1800KW柴油发电机组输出柜配置清单及线路图
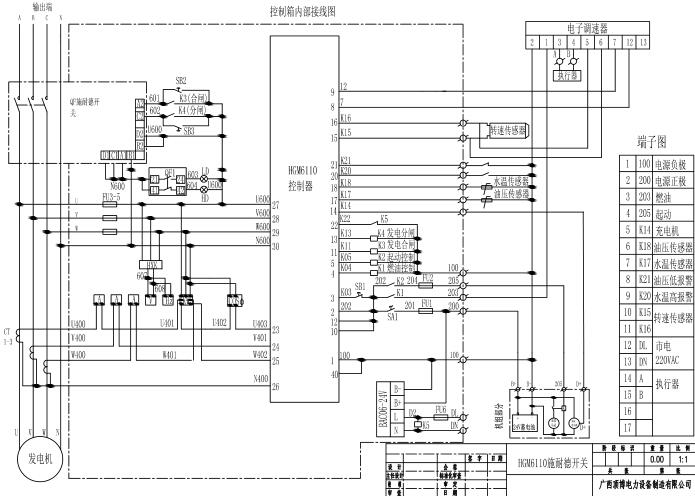
启动柜是指电动机的起动,柴油发电机组这个发电设备对普通中国人来说不陌生了,但是相信了解的人也不多,都知道柴油发电机是用来发电的。其实,在一个城市里有许多发电机就在我们的身边,例如我们住宅里的电梯吧,如安防系统, 电梯,信息储备,消防安全等,这些都是与大家的生活息息相关的!今天柴油发电机厂家电力给大家介绍柴油发是机组启动柜材料及其图纸。
1800KW柴油发电机组配电柜材料报价明细清单 | |||||
主开关柜 | |||||
序号 | 名称 | 型号规格 | 单位 | 数量 | 厂家 |
1 | 柜体 | GGD 1000*800*2200(宽*深*高) | 台 | 1 | 定制 |
2 | 万能式框架断路器 | MVS 32H 3F202+相间隔板+瞬动失压线圈 MN-AC200-250V | 台 | 1 | 施奈德 |
3 | 电流互感器 | BH-0.66Ⅱ 3000/5 Φ120 0.5级 1匝 | 只 | 3 | 正泰 |
4 | 发电机组控制器 | HGM6110N | 只 | 1 | 众智 |
5 | 直流电源模块 | BAC06A AC220V/DC24V | 只 | 1 | 众智 |
6 | 小型中间继电器 | NXJ24V-4Z1 D | 只 | 4 | 正泰 |
7 | 小型中间继电器 | NXJ-A220V-4Z1 D | 只 | 1 | 正泰 |
8 | 电流表 | 42L6-A,3000/5 | 只 | 3 | 正泰 |
9 | 功率表 | 42L6-KW 3000/5A 380V | 只 | 1 | 正泰 |
10 | 功率因数表 | 42L6-COSφ 380V 5A三相 | 只 | 1 | 正泰 |
11 | 频率表 | 42L6-HZ 45-55HZ/380V | 只 | 1 | 正泰 |
12 | 电压表 | 42L2-V 0~450V | 只 | 1 | 正泰 |
13 | 电压换相开关 | LW5-16YH2/2 | 只 | 1 | 正泰 |
14 | 熔断器 | RT14-20/ 6A | 套 | 5 | 正泰 |
15 | 信号灯 | AD56-22DS/Y,G,R,~220V,黄1,红1,绿1 | 只 | 3 | 国优 |
16 | 按钮 | LAY50-22D-11,1开1闭,红,绿各1 | 只 | 2 | 国优 |
17 | 急停接钮 | 红色 | 只 | 1 | 国优 |
18 | 旋钮 | 黑色 三挡 | 只 | 1 | 国优 |
19 | 主铜排 | TMY-120*10 | 米 | 18 | 国优 |
20 | 主铜排 | TMY-100*10 | 米 | 10 | 国优 |
21 | 零排 | TMY-120*10 | 米 | 0.8 | 国优 |
22 | 接地铜排 | TMY-100*10 | 米 | 0.8 | 国优 |
23 | 绝缘子 | 圆形,红色,>M10 | 只 | 36 | 海坦 |
24 | 配电柜安装人工 | 台 | 1 | ||
25 | 辅材 | 台 | 1 | ||
26 | 运费 | 台 | 1 | ||
1800KW柴油发电机组启动柜配置图纸
以上信息来由广西发电机组厂家电力(//m.zgyus.com)收集整理, 我公司主营产品有康明斯发电机组、玉柴发电机组、沃尔沃发电机组、帕金斯发电机组、上柴发电机组等,可根据客户需要提供自启动、并机及微机监控等配套设备,静音及移动拖车,我公司的柴油发电机组出口东南亚、非洲、中东等地。热线:13667715899
推荐文章
- 300KW沃尔沃柴油发电机组:为何成为众多工程的首选动力? 2026-03-16
- 同样是150kw,为何它更可靠?因为有一颗强劲的“芯”!沃尔沃柴油发电机组,守护您的业务不断电 2026-03-14
- 动力巨擎,智控机组——400KW上柴柴油发电机组,重新定义你的电力保障标准! 2026-03-13
- 400KW上柴柴油发电机组,工业级电力保障的王者之选 2026-03-13
- 动力巨擎,应急先锋——康明斯720KW柴油发电机组,如何定义“可靠”? 2026-03-12
- 工厂备电选多大?直接上硬货:这台500kW玉柴发电机组,让电力永不掉线 2026-03-11
- 2026备电选多大?为什么懂行的老板都选这台500kW发电机组? 2026-03-11
- 停电不焦虑,这台康明斯250KW柴油发电机组才是工厂的底气! 2026-03-10
- 38升V12“心脏”!800KW康明斯发电机组,如何成为高端项目的“必备电力设备”? 2026-03-09
- 关键时刻,康明斯400KW发电机组,为你的核心负载提供可靠且稳定的保障! 2026-03-07






桂公网安备45010702002247