柴油发电机冷却水温异常危害及冷却系统结构分类(图文)
在柴油发电机组工作情况下,摩擦及高温燃气的热会使零部件的温度升高。如不采取相应的冷却措施,零部件的温度会过高,不利于机组正常运行。所以发电机组要配置冷却系统保持机组良好的工作状态及延长机组寿命。
一、柴油机过热或过冷的危害
受热零件的机械强度和刚度会显著降低,相互间的正常配合间隙会被破坏。润滑油也会因温度升高而变稀,失去应有的润滑作用,加剧零件的磨损和变形,严重时配合件可能会卡死或损坏。
另外柴油机过热,会导致充气系数降低,燃烧不正常,功率下降,耗油量增加等。
如柴油机温度过低,则混合气形成不良,造成工作粗暴、功率下、油耗增加、散热损失大、机油黏度大、零件磨损加剧等导致内燃机使用寿命缩短。
二、柴油机冷却水温度多少合适
实践表明,柴油机过热或过冷都会给发动机带来危害,其冷却水温为40~50℃条件下使用时其零件磨损要比正常温度下运转时大好几倍。因此柴油机也不应冷却过度,需要确保内燃机冷却系统在适宜的温度范围内使用。水冷式内燃机缸壁中适宜温度为80~90℃,风冷式内燃机缸壁适宜温度为160~200℃。
三、柴油发电机冷却系统构造及分类
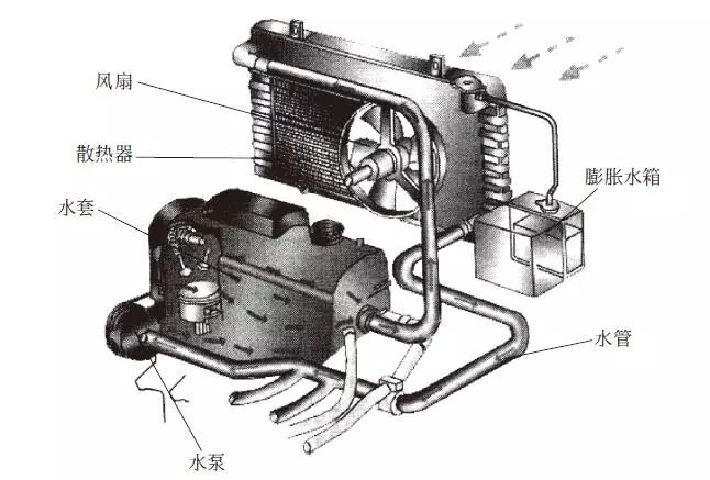
发动机冷却系统的组成:气缸水套、 水箱、 水泵、 节温器、 电子扇、 软管、水温传感器等。根据冷却介质的不同,冷却系统可分为水冷式和风冷式两种。
1.水冷式冷却系统
水冷却系统一般是由膨胀水箱、散热器、水泵、风扇、水套和温度调节装置等组成。其作用是将内燃机受零件的热量传递出去。根据冷却水在内燃机中循环模式不同,分为强制循环冷却和自然循环冷却两种。

2.风冷式冷却系统
风冷却系统中冷却介质是空气,利用气流使散热片的热量散到大气中。其主要由风扇、导流罩、散热片、气缸导流罩和分流板组成。

以上关于“柴油发电机冷却水温异常危害及冷却系统结构分类”介绍由发电机厂家电力为您分享,希望对大家有帮助。电力十余年来致力于柴油发电机生产销售,并与众多国内外知名品牌柴油机达成合作,正规授权,厂家直销,值得信赖!欢迎莅临本厂参观考察!
推荐文章
- 数据中心、高端制造都在抢着入手的“静音电源”——160千瓦康明斯静音箱式发电机组,静音、智能、耐用 2026-03-27
- 医疗、数据中心、高端制造都在抢的“发电机”:160kW康明斯静音箱式柴油发电机组,无人值守,毫秒级响应 2026-03-27
- 工地、抢险、户外活动……老板都在抢的110KW发电机组,到底强在哪?30秒看懂 2026-03-26
- 别让断电卡住你的工期:一台皮卡就能拉走的110KW玉柴防雨移动拖车发电机组,关键时刻真顶用 2026-03-26
- V型双缸+全铜AVR:这台10KW汽油发电机组,关键场所的“第二电网” 2026-03-25
- 工地、养殖、农家乐……这台能推着走的“5KW开架式汽油发电机组”,一台机器适用全场景! 2026-03-24
- 8KW汽油开架式发电机组:野外作业与家庭应急的“拎着走、放心用、扛得住”的移动电力站 2026-03-23
- 动力之源,稳若泰山:解密350KW康明斯柴油发电机组 2026-03-21
- H级绝缘+IP22防护!智能云平台加持,这台80kw玉柴柴油发电机组,坐在办公室就能远程操控 2026-03-20
- 80kW玉柴柴油发电机组:当“动力心脏”遇上“智慧大脑”,这才是备用电源该有的样子 2026-03-20






桂公网安备45010702002247